Motor listrik bisa kita anggap sebagai “otot” utama bagi perkembangan otomasi di dunia industri karena kemudahan mendapatkan sumber energi daripada jenis pengerak lain, seperti pneumatik, hidrolik maupun sistem tenaga uap. Sehingga belajar otomasi industri sudah barang tentu harus belajar tentang prinsip kerja dan pengendalian motor listrik.
Secara umum motor listrik dapat diklasifikasikan menjadi 2 bagian besar berdasarkan jenis sumber tegangannya, dan pada setiap jenis sumber tegangan juga terdapat klasifikasi yang lebih spesifik lagi sebagai berikut:
1. Motor Listrik Arus Bolak-Balik (Motor Indusksi)
- Motor Listrik 3 phasa
- Motor Listrik 1 phasa
2.Motor Listrik Arus Searah
- Motor DC magnet permanen
- Motor Stepper
- Motor DC Servo
Luas nya penggunaan motor listrik di dunia industri menjadikan mempelajari Otomasi Industri tanpa mempelajari pengendalian motor listrik tidaklah lengkap. Motor induksi (Asynchronous motor) secara luas banyak digunakan di fasilitas industri dan bangunan besar. Rancangan dan perawatannya sederhana, dapat disesuaikan pada berbagai aplikasi di lapangan dan pengoperasiannya ekonomis.
![]() |
| Konstruksi Motor Induksi |
Khususnya motor induksi 3 phasa memiliki karakteristik arus beban yang tinggi pada sumber tegangan dengan direct-on-line starting. Menghasilkan arus start dan lonjakan yang tinggi jika diaplikasikan pada tegangan penuh, akan mengakibatkan penurunan tegangan sumber dan pengaruh transien torsi pada sistem mekanik. Dengan adanya karakteristik tersebut, maka penting untuk mempelajari pengendalian motor induksi 3 phasa secara efektif.
Pengendalian motor listrik dapat diartikan sebagai pengaturan motor mulai dari proses starting, proses selama motor berputar hingga proses pemberhentian motor baik dengan pengereman maupu tidak. Pengaturan saat motor dalam kondisi berputar dapat berupa pengaturan arah putaran maupun pengaturan kecepatan putaran.
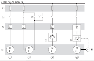
Karena sistem pengoprasian motor dilakukan pada saat start, running dan Stop, maka keberhasilan suatu pengendalian motor listrik bukan saja ditentukan pada “Running Performance“ motor, tetapi juga juga ditentukan oleh “Starting Performance“. Pemilihan metoda starting banyak dipengaruhi oleh beberapa faktor seperti kapasitas daya motor / keperluan arus starting , torsi starting , kecepatan , jenis atau tipe motor dan macam-macam beban yang digerakkan oleh motor tersebut. Berikut ini adalah 4 alternatif pengoperasian motor degan memperhaikan konsumsi dayanya:
![]() |
| 4 metode kendali motor |
1. Direct-On-Line motor starting. Starting dengan metoda ini menggunakan tegangan jala-jala / line penuh yang dihubungkan langsung ke terminal motor melalui rangkaia pengendali mekanik atau dengan relay kontaktor magnit.
2. Start-delta (bintang-segitiga) motor starting. Star awal dilakukan dalam hubngan bintang dan kemudian motor beroperasi normal dalam hungan delta. Pengendalian bintang ke delta dapat dilakukan dengan sakelar mekanik Y /Δ atau dengan relay / kontaktor magnit.
3. Soft starter (Q2), motor starter kontinyu dan bertahap, alternafif secara elektronik sebagai pengganti Start-delta (bintang-segitiga) motor starting. Beberapa yang dapat dilakukan adalah dengan :
- Tahanan Primer (Primary Resistance), Starting dengan metoda ini adalah dengan mengunakan tahanan primer untuk menurunkan tegangan yang masuk ke motor.
- Auto Transformer, Starting dengan metoda ini adalah dengan menghubungkan motor pada taptegangan sekunder auto transformer terendah dan bertahap dinaikkan hingga mencapai kecepatan nominal motor dan motor terhubung langsung pada tegangan penuh / tegangan nominal motor.
- Motor Slip Ring / Rotor lilit, Untuk motor rotor lilit ( Slip Ring ) starting motor dilakukan dengan metoda pengaturan rintangan rotor ( Scondary Resistor ) . Motor beroperasi normal pada rotor dalam hubungan bintang.
Masing – masing metode memiliki keunggulan dan kelemahan tergantung dari tipikal motor yang dikendalikan dan kebutuhan penendaliannya. Artikel kali ini cuku membahasa tentang pengaturan dengan Direct Online, sedang metode-metode yang lain akan dibahas lebih rinci pada artikel khusus lainnya.
Pengendalian Motor Listrik dengan Direct Online (DOL)
Pengendalian motor listrik dengan direct online memiliki karakteristik paling menonjol yaitu pada konsumsi arus Starting yang sangat besar, bisa mencapai 4 hingga 8 kali arus nominalnya. Adanya arus yang sangat tinggi ini menyebabkan adanya drop tegangan saat motor mulai bergerak. Sedangkan karakteristik torsinya adalah 0.5 hingga 1.5 torsi nominalnya. Berikut ini adalah rangkaian diagram daya dan diagram kontrol untuk pengendalian motor dengan DOL.
Pada gambar di atas, pada bagian diagram daya memiliki fungsi utama menyambungkan daya dari sumber tegangan 3 phasa secara langsung ke terminal motor melalui kontaktor (K). Kontaktor berperan sebagai sakelar utama yang menyambungkan daya listrik dari sumber ke motor listrik. Dengan kata lain nyala atau matinya motor listrik bergantung dari kondisi kontaktor. Sedangkan kontaktor sendiri diatur kerjanya oelh rangkaian kontrol.
Ada pun F1 adalah sistem pengaman berupa fuse dan F2 adalah Thermal Overload Relay (TOR). TOR memiliki kontak layaknya relay yang akan bekerja saat arus yang melaluinya lebih besar dari set poin arus yang ditetapkan padanya. Aktifnya TOR akan menyebabkan perubahan kondisi kontaknya yang mana bisa kita manfaatkan untuk memutus atau menyambungkan arus listrik.
Diagram kontrol berfungsi mengatur kerja kontaktor, kapan harus nyala dan kapan harus mati. Konsep mendasar dari rangkaian ini adalah metode selfholding pada Kontaktor yang penjelasannya seperti pada pengoperasian relay pada artikel ini Rangkaian Kendali Dasar Sistem Otomasi. Kontak Normally Close (NC) dari TOR digunakan untuk memutuskan arus yang mengalir ke Kontaktor saat terjadi arus berlebih yang masuk ke motor.
Metode DOL biasanya diaplikasikan pada sistem kendali motor secara sederhana denga beban daya rendah hingga menengah, yaitu antara 5kW hingga 1MW dengan waktu pengasutan maksimum 10 s. Namun perlu juga diperhatikan ketersediaan daya yang cukup selama waktu pengasutan mengingat arus starting yang tinggi, dan pastikan nilai arus starting tersebut tidak melampaui tripping alat proteksi.
![]() |
| Diagram-daya-dan-kontrol-DOL |
Ada pun F1 adalah sistem pengaman berupa fuse dan F2 adalah Thermal Overload Relay (TOR). TOR memiliki kontak layaknya relay yang akan bekerja saat arus yang melaluinya lebih besar dari set poin arus yang ditetapkan padanya. Aktifnya TOR akan menyebabkan perubahan kondisi kontaknya yang mana bisa kita manfaatkan untuk memutus atau menyambungkan arus listrik.
Diagram kontrol berfungsi mengatur kerja kontaktor, kapan harus nyala dan kapan harus mati. Konsep mendasar dari rangkaian ini adalah metode selfholding pada Kontaktor yang penjelasannya seperti pada pengoperasian relay pada artikel ini Rangkaian Kendali Dasar Sistem Otomasi. Kontak Normally Close (NC) dari TOR digunakan untuk memutuskan arus yang mengalir ke Kontaktor saat terjadi arus berlebih yang masuk ke motor.
Metode DOL biasanya diaplikasikan pada sistem kendali motor secara sederhana denga beban daya rendah hingga menengah, yaitu antara 5kW hingga 1MW dengan waktu pengasutan maksimum 10 s. Namun perlu juga diperhatikan ketersediaan daya yang cukup selama waktu pengasutan mengingat arus starting yang tinggi, dan pastikan nilai arus starting tersebut tidak melampaui tripping alat proteksi.



0 comments
Post a Comment